No.16のアンプ、出力段変更
メインアンプ取替以外の変更点
| 1 |
メインアンプ部回路図 メーカーのデーターシートによる参考図です。 実際にこのまま組みました。8pinと16pinは無接続ですが10pin(STBY)は使用しています。 |
| 2 |
電源部の変更。PAM8403専用の5Vが不要になりましたので取り外しました。新メインアンプのスタンバイ機能用端子を新設しました。 回路図です。 |
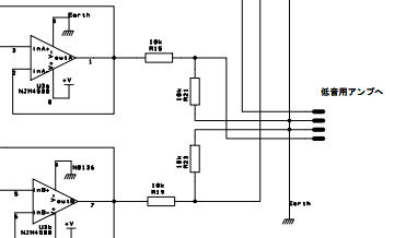
| 3 |
ディバイダー回路図です。 低音側出力にR15とR21、R19とR23の6dBアッテネーターを入れました。メインアンプが高温側低音側ともに同一ゲインになりましたので 見かけ上高音増強のために低音域を下げます。 |
AN7551Zは出力pin(スピーカーに接続する端子)に発振防止のC・Rが要りません。コンデンサーと抵抗各8個、計16個の部品が省略できるのはすごく嬉しいです。
Copyright © 面白半分